![]()
![]()
● Insulation monitoring for medical IT systems
● Load and temperature monitoring of isolation transformer
● Device disconnection monitoring
● LED indicators: On, Insulation, Overload, Overtemp
● Alarm relay output
● Test button
● Insulation fault location
● Din 35mm
● RS485 (MODBUS-RTU) + CAN

General
The AIM-M300 medical intelligent insulation monitor the insulation resistance of medical IT system, At the same time, the load current and temperature of the IT system transformer is monitored. In combination with ASG100, AIL100 series insulation fault locators and the appropriate measuring current transformers, the AIM-M300 is designed to support insulation fault location.AIM-M300 series medical intelligent monitoring device adopts advanced microcontroller technology, which has high integration, compact size, convenient installation and integrates intelligence, digitalization and networking in one. It is suitable for insulation monitoring of isolation power system in Class 2 medical locations such as operating room and intensive care unit.
Parameter
Auxiliary Power | Voltage | DC 18…36V
|
| Power consumption | ≤6W | |
Insulation Monitoring | Resistance
measuring
range
| 15…999kΩ |
Response value | 50…999kΩ | |
Relative
uncertainty | ±10%,±10K | |
Response time | ≤3s | |
Permissible system leakage
capacitance Ce | ≤5uF | |
Measuring voltage Um | ≤12V | |
Measuring current Im | ≤5uA | |
Impedance Zi | ≥200kΩ | |
Internal DC resistance Ri | ≥240kΩ | |
Permissible extraneous DC voltage Ufg | ≤DC280V | |
Temperature Monitoring | Thermal
resistor | 2 Pt100 |
Measuring
range | -50…+200℃ | |
| Alarm Value Range | 0…+200℃ | |
Current Monitoring | Alarm Value | 5…60A |
Measuring
accuracy | ±5% |
Dimension

Diagram

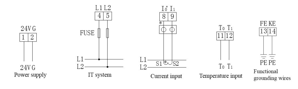
Wiring

Package
MINIMUM PACKAGE | ![]() | ![]() | ![]() | ![]() |
MINIMUM PACKAGE | Package dimensions(1 PC) 170*150*130mm | Pakage Weight(1 PC) 0.5Kg | ||
WHOLE BOX PACKAGE | Package dimensions(36 PCS) 450*240*250mm | Pakage Weight(36 PCS) 18kG | ||
PRODUCT HS CODE | 8543709990 | |||
ATTENTION ! The above packing and weight data are only refer to model AIM-M300. For other models or optional functions, please contact the salesman for details, thank you for your cooperation! |
Would you like to get information about Acrel? We appreciate your interest and would be happy to advise you.Simply give us some information so we can get in touch with you

We will contact you within 24 hours.